ET RU EN FI SV NO DA DE LV LT PL
Meie müügikontor asub aadressil Papiniidu 13, 80042 Pärnu.Palume eelnevalt oma tulekust telefonitsi (tel. 56 66 55 35 või e-post info@hemeltron.ee ) teada anda, et teaksime Teie jaoks kohal olla!
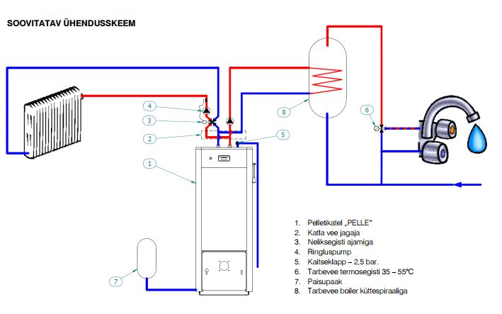
Lisainfot leiad: Pelle pelletikatel
Meie veebileht kasutab küpsiseid, mida kasutatakse külastatavuse statistika kogumiseks.